LCD 驱动
本章将介绍 MS-RTOS LCD 驱动开发及测试。
LCD 是液晶显示器(Liquid Crystal Display)的英文缩写,相对于上一代 CRT 显示器(阴极射线管显示器),LCD 显示器具有功耗低、体积小、承载的信息量大及不伤眼的优点。LED 点阵彩色显示器的单个像素点内包含红绿蓝三色 LED 灯,显示原理类似 LED 彩灯,通过控制红绿蓝颜色的强度进行混色,实现全彩颜色输出,多个像素点构成一个屏幕,像素密度低。新一代的 OLED 显示器与 LED 点阵彩色显示器的原理类似,但由于它采用的像素单元是有机发光二极管(Organic Light Emitting Diode),所以像素密度比普通 LED 点阵显示器高得多。
LCD 基础知识
显示器基本参数
常见的显示器参数如下:
- 像素:显示器的像素指它成像最小的点。
- 分辨率:嵌入式设备的显示器常常以“行像素值 x 列像素值”表示屏幕的分辨率。
- 色彩深度:显示器的每个像素点能表示多少种颜色,一般用位(bit)来表示。
- 显示器尺寸:指屏幕对角线的长度,如 5 英寸、21 英寸、24 英寸等。
- 点距:指两个相邻像素点之间的距离,它会影响画质的细腻度及观看距离。
- 亮度:表示 LCD 在白色画面下明亮的程度,其电压(亮度)可由 PWM 调节,亮灭可由背光引脚控制。
- 对比度:表示 LCD 上同一点最亮时(白色)与最暗时(黑色)的亮度的比值。
标准 5 寸电容屏:

LTDC 控制器
LTDC 控制器的结构框图,它主要包含信号线、图像处理单元、寄存器及时钟信号。

(1)液晶面板控制信号
RGB 信号线
RGB565:表示红绿蓝的数据线数分别为 5、6、5 根,一共为 16 个数据位;RGB888:表示红绿蓝的数据线数分别为 8、8、8 根,一共 24 位数据线。
同步时钟信号 CLK
液晶屏与外部使用同步通讯方式,以 CLK 信号作为同步时钟,在同步时钟的驱动下,每个时钟传输一个像素点数据。
水平同步信号 HSYNC
水平同步信号 HSYNC(Horizontal Sync)用于表示液晶屏一行像素数据的传输结束,每传输完成液晶屏的一行像素数据时,HSYNC 会发生电平跳变。
垂直同步信号 VSYNC
垂直同步信号 VSYNC(Vertical Sync)用于表示液晶屏一帧像素数据的传输结束,每传输完成一帧像素数据时,VSYNC 会发生电平跳变。
数据使能信号 DE
数据使能信号 DE(Data Enable)用于表示数据的有效性,当 DE 信号线为高电平时,RGB 信号线表示的数据有效。
(2)数据传输时序
下图表示向液晶屏传输一帧图像数据的时序,中间省略了多行及多个像素点。

显示指针的扫描方向方向从左到右、从上到下,一个像素点一个像素点地描绘图形。这些像素点的数据通过 RGB 数据线传输至液晶屏,它们在同步时钟 CLK 的驱动下一个一个地传输到液晶屏中,交给显示指针,传输完成一行时,水平同步信号 HSYNC 电平跳变一次,而传输完一帧时 VSYNC 电平跳变一次。但是,液晶显示指针在行与行之间,帧与帧之间切换时需要延时,而且 HSYNC 及 VSYNC 信号本身也有宽度。
| 时间参数 | 参数说明 |
|---|---|
| VBP(vertical back porch) | 表示在一帧图像开始时,垂直同步信号以后的无效的行数 |
| VFP(vertical front porch) | 表示在一帧图像结束后,垂直同步信号以前的无效的行数 |
| HBP(horizontal back porch) | 表示从水平同步信号开始到一行的有效数据开始之间的 CLK 的个数 |
| HFP(horizontal front porch) | 表示一行的有效数据结束到下一个水平同步信号开始之间的 CLK 的个数 |
| VSW(vertical sync width) | 表示垂直同步信号的宽度,单位为行 |
| HSW(horizontal sync width) | 表示水平同步信号的宽度,单位为同步时钟 CLK 的个数 |
STM32F429 系列芯片内部自带一个 LTDC 液晶控制器,使用 SDRAM 的部分空间作为显存,可直接控制液晶面板,无需额外增加液晶控制器芯片。STM32 的 LTDC 液晶控制器最高支持 800 x 600 分辨率的屏幕;可支持多种颜色格式,包括 RGB888、RGB565、ARGB8888 和 ARGB1555 等(其中的“A”是指透明像素);支持 2 层显示数据混合,利用这个特性,可高效地做出背景和前景分离的显示效果,如以视频为背景,在前景显示弹幕。
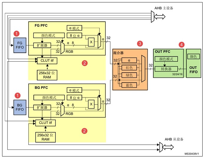
LTDC 通过“AHB 接口”获取显存中的数据,然后按分层把数据分别发送到两个“层 FIFO”缓存,每个 FIFO 可缓存 64 x 32 位的数据,接着从缓存中获取数据交给“PFC”(像素格式转换器),它把数据从像素格式转换成字(ARGB8888)的格式,再经过“混合单元”把两层数据合并起来,最终混合得到的是单层要显示的数据,通过信号线输出到液晶面板。这部分结构与 DMA2D 的很类似,我们在下一小节详细讲解。
DMA2D 控制器
STM32F429 芯片使用 LTDC、DMA2D 及 RAM 存储器,构成了一个完整的液晶控制器。LTDC 负责不断刷新液晶屏,DMA2D 用于图像数据搬运、混合及格式转换,RAM 存储器作为显存。其中显存可以使用 STM32 芯片内部的 SRAM 或外扩 SDRAM/SRAM,只要容量足够大即可(至少要能存储一帧图像数据)。

FG FIFO(Foreground FIFO)与 BG FIFO(Background FIFO)是两个 64 x 32 位大小的缓冲区,它们用于缓存从 AHB 总线获取的像素数据,分别专用于缓冲前景层和背景层的数据源。AHB 总线的数据源一般是 SDRAM,也就是说在 LTDC 外设中配置的前景层及背景层数据源地址一般指向 SDRAM 的存储空间,使用 SDRAM 的部分空间作为显存。
FG PFC(FG Pixel Format Convertor)与 BG PFC(BG Pixel Format Convertor)是两个像素格式转换器,分别用于前景层和背景层的像素格式转换,不管从 FIFO 的数据源格式如何,都把它转化成字的格式(即 32 位),ARGB8888。
CLUT 表示颜色查找表(Color Lookup Table),颜色查找表是一种间接的颜色表示方式,它使用一个 256 x 32 位的空间缓存 256 种颜色,颜色的格式是 ARGB8888 或 RGB888。利用颜色查找表,实际的图像只使用这 256 种颜色,而图像的每个像素使用 8 位的数据来表示,该数据并不是直接的 RGB 颜色数据,而是指向颜色查找表的地址偏移,即表示这个像素点应该显示颜色查找表中的哪一种颜色。在图像大小不变的情况下,利用颜色查找表可以扩展颜色显示的能力,其特点是用 8 位的数据表示了一个 24 或 32 位的颜色,但整个图像颜色的种类局限于颜色表中的 256 种。DMA2D 的颜色查找表可以由 CPU 自动加载或编程手动加载。
FIFO 中的数据源经过 PFC 像素格式转换器后,前景层和背景层的图像都输入到混合器中运算。
OUT PFC 是输出像素格式转换器,它把混合器转换得到的图像转换成目标格式,如 ARGB8888、RGB888、RGB565、ARGB1555 或 ARGB4444,具体的格式可根据需要在输出 PFC 控制寄存器 DMA2D_OPFCCR 中选择。

这里说的 背景层 与前面提到的前景层/背景层概念有点区别,它们对应下图中的第 2 层/第 1 层,而在这两层之外,还有一个最终的背景层,当第 1 第 2 层都透明时,这个背景层就会被显示,而这个背景层是一个纯色的矩形,它的颜色值就是由这三个结构体成员配置的,各成员的参数范围为 0x00 - 0xFF。
LCD 驱动框架
驱动相关数据结构
(1)ms_io_device_t
ms_fb_fix_screeninfo_t 用于保存 Framebuffer 设备的固定信息,ms_fb_var_screeninfo_t 用于保存 Framebuffer 设备的可变信息,后面的章节会详细介绍这两个结构体。
/*
* Private Info
*/
typedef struct {
ms_fb_var_screeninfo_t var;
ms_fb_fix_screeninfo_t fix;
} privinfo_t;
/*
* FrameBuffer Device
*/
typedef struct {
privinfo_t priv;
ms_io_device_t dev;
} fb_dev_t;
(2)ms_io_driver_t
MS-RTOS 中 FrameBuffer 设备也是以字符设备的形式进行注册的,当前并没有提供重型的驱动框架。
/*
* Device operating function set
*/
static const ms_io_driver_ops_t fb_drv_ops = {
.type = MS_IO_DRV_TYPE_CHR,
.open = __fb_open,
.close = __fb_close,
.ioctl = __fb_ioctl,
};
/*
* Device driver
*/
static ms_io_driver_t stm32_fb_drv = {
.nnode = {
.name = "stm32_fb",
},
.ops = &fb_drv_ops,
};
驱动的注册和卸载
(1)LCD 驱动开发流程:
获取必要的软硬件开发资源,了解设备的基本特性;
参照手册的相关流程和代码规范,编写寄存器相关宏定义,封装通用硬件操作接口;
申请必要的系统资源,根据默认参数初始化硬件的工作模式,实现中断处理函数;
实现
ms_io_driver_ops_t中的必要操作接口,并向 MS-RTOS IO 系统注册驱动和设备节点;检查代码质量和代码风格,编写测试程序;
(2)驱动的注册和卸载接口:
ms_err_t ms_io_driver_register(ms_io_driver_t *drv);
ms_err_t ms_io_driver_unregister(ms_io_driver_t *drv); //此接口暂不开放
(3)设备节点的注册和卸载接口:
ms_err_t ms_io_device_register(ms_io_device_t *dev, const char *dev_path,
const char *drv_name, ms_ptr_t ctx);
ms_err_t ms_io_device_unregister(ms_io_device_t *dev);
LCD ioctl 命令
以下仅列出几个最基本的命令,可以在 sdk/src/driver/ms_drv_fb.h 文件中找到所有命令的定义。
| 命令 | 描述 | 参数 |
|---|---|---|
| MS_FB_CMD_GET_VSCREENINFO | 获取 Framebuffer 设备无关的数据信息,比如图形硬件上实际的帧缓存空间的大小、能否硬件加速等信息。 | ms_fb_var_screeninfo_t 指针 |
| MS_FB_CMD_GET_FSCREENINFO | 获取 Framebuffer 设备有关的可变信息,之所以可变,是因为对同样的图形硬件,可以工作在不同的模式下。 | ms_fb_fix_screeninfo_t 指针 |
| MS_FB_CMD_PAN_DISPLAY | 打开或关闭显示 | ms_bool_t |
| MS_FB_CMD_SET_VSCREENINFO | 设定设备无关的数据信息 | ms_fb_var_screeninfo_t 指针 |
| MS_FB_CMD_2D_FLUSH | 2D 刷新图像 | ms_fb_2d_flush_t 指针 |
| MS_FB_CMD_2D_BLEND | 2D 混合图像 | ms_fb_2d_blend_t 指针 |
| MS_FB_CMD_2D_FILL | 2D 填充图像 | ms_fb_2d_fill_t 指针 |
(1)ms_fb_fix_screeninfo_t
该结构体用于保存 Framebuffer 设备的固定信息。可以通过 ioctl 获取显存的起始地址和大小。
typedef struct {
#define MS_FB_CAP_2D_FLUSH MS_BIT(0U)
#define MS_FB_CAP_2D_BLEND MS_BIT(1U)
#define MS_FB_CAP_2D_FILL MS_BIT(2U)
ms_uint32_t capability; // Framebuffer 设备具备的能力/功能
ms_addr_t smem_start; // Framebuffer 设备的显存起始地址
ms_size_t smem_len; // Framebuffer 设备的显存大小
ms_size_t line_length; // Framebuffer 设备的显存单行像素的大小
} ms_fb_fix_screeninfo_t;
(2)ms_fb_var_screeninfo_t
该结构体用于保存 Framebuffer 设备的可变信息。可以通过 ioctl 设置/获取某一区域的颜色。
typedef struct {
ms_uint16_t xres; // 定义屏幕一行有多少个像素点
ms_uint16_t yres; // 定义屏幕一列由多少个像素点
ms_uint16_t xres_virtual; // 虚拟屏幕一行有多少个像素点
ms_uint16_t yres_virtual; // 虚拟屏幕一列由多少个像素点
ms_uint16_t xoffset; // 虚拟到可见(实际)之间的行方向偏移
ms_uint16_t yoffset; // 虚拟到可见(实际)之间的列方向偏移
ms_uint8_t bits_per_pixel; // 每像素位数(多少BPP),单位为字节
ms_fb_bitfield_t red; // fb 缓存的红色位域
ms_fb_bitfield_t green; // fb 缓存的绿色位域
ms_fb_bitfield_t blue; // fb 缓存的蓝色位域
ms_fb_bitfield_t transp; // fb 缓存的透明度位域
} ms_fb_var_screeninfo_t;
LCD 驱动示例
LCD 驱动示例,仅作为参考。
#define __MS_IO
#include "config.h"
#include "ms_kern.h"
#include "ms_io_core.h"
/*
* Private info
*/
typedef struct {
ms_fb_var_screeninfo_t var;
ms_fb_fix_screeninfo_t fix;
} privinfo_t;
/*
* Open device
*/
static int stm32_fb_open(ms_ptr_t ctx, ms_io_file_t *file, int oflag, ms_mode_t mode)
{
privinfo_t *priv = ctx;
int ret;
if (ms_atomic_inc(MS_IO_DEV_REF(file)) == 1) {
BSP_LCD_Init();
#if BSP_CFG_LCD_BPP == 16U
BSP_LCD_LayerRgb565Init(0, (uint32_t)priv->fix.smem_start);
#else
BSP_LCD_LayerDefaultInit(0, (uint32_t)priv->fix.smem_start);
#endif
BSP_LCD_SelectLayer(0);
BSP_LCD_Clear(LCD_COLOR_WHITE);
BSP_LCD_SetLayerVisible(0, ENABLE);
BSP_LCD_DisplayOn();
ret = 0;
} else {
ms_atomic_dec(MS_IO_DEV_REF(file));
ms_thread_set_errno(EBUSY);
ret = -1;
}
return ret;
}
/*
* Close device
*/
static int stm32_fb_close(ms_ptr_t ctx, ms_io_file_t *file)
{
if (ms_atomic_dec(MS_IO_DEV_REF(file)) == 0) {
BSP_LCD_DisplayOff();
BSP_LCD_DeInit();
}
return 0;
}
/*
* Control device
*/
static int stm32_fb_ioctl(ms_ptr_t ctx, ms_io_file_t *file, int cmd, void *arg)
{
privinfo_t *priv = ctx;
int ret;
switch (cmd) {
case MS_FB_CMD_GET_VSCREENINFO:
memcpy(arg, &priv->var, sizeof(priv->var));
ret = 0;
break;
case MS_FB_CMD_GET_FSCREENINFO:
memcpy(arg, &priv->fix, sizeof(priv->fix));
ret = 0;
break;
default:
ms_thread_set_errno(EINVAL);
ret = -1;
break;
}
return ret;
}
/*
* Device operating function set
*/
static const ms_io_driver_ops_t stm32_fb_drv_ops = {
.type = MS_IO_DRV_TYPE_CHR,
.open = stm32_fb_open,
.ioctl = stm32_fb_ioctl,
.close = stm32_fb_close,
};
/*
* Device driver
*/
static ms_io_driver_t stm32_fb_drv = {
.nnode = {
.name = "stm32_fb",
},
.ops = &stm32_fb_drv_ops,
};
/*
* Register frame buffer device driver
*/
ms_err_t stm32_fb_drv_register(void)
{
return ms_io_driver_register(&stm32_fb_drv);
}
/*
* Register frame buffer device file
*/
ms_err_t stm32_fb_dev_register(const char *path)
{
static privinfo_t priv;
static ms_io_device_t dev;
priv.var.xres = BSP_CFG_LCD_WIDTH;
priv.var.yres = BSP_CFG_LCD_HEIGHT;
priv.var.xres_virtual = BSP_CFG_LCD_WIDTH;
priv.var.yres_virtual = BSP_CFG_LCD_HEIGHT;
priv.var.xoffset = 0U;
priv.var.yoffset = 0U;
priv.var.bits_per_pixel = BSP_CFG_LCD_BPP;
#if BSP_CFG_LCD_BPP == 16U
priv.var.red.offset = 11U;
priv.var.red.length = 5U;
priv.var.red.msb_right = 0U;
priv.var.green.offset = 5U;
priv.var.green.length = 6U;
priv.var.green.msb_right = 0U;
priv.var.blue.offset = 0U;
priv.var.blue.length = 5U;
priv.var.green.msb_right = 0U;
#else
priv.var.red.offset = 16U;
priv.var.red.length = 8U;
priv.var.red.msb_right = 0U;
priv.var.green.offset = 8U;
priv.var.green.length = 8U;
priv.var.green.msb_right = 0U;
priv.var.blue.offset = 0U;
priv.var.blue.length = 8U;
priv.var.green.msb_right = 0U;
#endif
priv.fix.smem_start = BSP_CFG_FB_RAM_BASE;
priv.fix.smem_len = LCD_BYTE_PER_PIXEL * BSP_CFG_LCD_WIDTH * BSP_CFG_LCD_HEIGHT;
priv.fix.line_length = LCD_BYTE_PER_PIXEL * BSP_CFG_LCD_WIDTH;
return ms_io_device_register(&dev, path, "stm32_fb", &priv);
}
LCD 应用程序
MS-RTOS 已经支持的 GUI 库
| 名称 | 描述 |
|---|---|
| LittlevGL | 开源免费(MIT 许可)的 GUI |
| TouchGFX | TouchGFX 以界面华丽流畅著称,在 ST MCU、MPU 可免费使用 |
| AWTK | 是 ZLG 开发的开源 GUI 引擎 |
| emWin | 德国 Segger 公司开发,ST_emWin、NXP_emWin |
向屏幕填充不同颜色
下面的以 RGB-565 类型的 LCD 为例,打开 /dev/fb0 设备文件,获取设备信息,向显存写入数据:
#include <ms_rtos.h>
#include <stdlib.h>
#include <string.h>
#include <driver/ms_drv_fb.h>
#define FB_DEVICE_PATH "/dev/fb0"
static char *fb_addr;
static unsigned fb_size;
int print_screen(char *buf, int width, int height);
int main(int argc,char *argv[])
{
int ret;
int screen_fb = 0;
short *picture;
ms_fb_fix_screeninfo_t fb_fix;
ms_fb_var_screeninfo_t fb_var;
screen_fb = ms_io_open(FB_DEVICE_PATH, O_RDWR, 0666);
if (screen_fb < 0) {
ms_printf("failed to open file %s\n", FB_DEVICE_PATH);
abort();
}
ret = ms_io_ioctl(screen_fb, MS_FB_CMD_GET_FSCREENINFO, &fb_fix);
if (ret != 0) {
ms_printf("ioctl MS_FB_CMD_GET_FSCREENINFO failed!\n");
ms_io_close(screen_fb);
return (-1);
}
printf("fb_fix.smem_start = %d, fb_fix.smem_len = %d\n",
fb_fix.smem_start, fb_fix.smem_len);
ret = ms_io_ioctl(screen_fb, MS_FB_CMD_GET_VSCREENINFO, &fb_var);
if (ret != 0) {
ms_printf("ioctl MS_FB_CMD_GET_VSCREENINFO failed!\n");
ms_io_close(screen_fb);
return (-1);
}
printf("fb_var.xres = %d\n", fb_var.xres);
printf("fb_var.yres = %d\n", fb_var.yres);
fb_addr = fb_fix.smem_start;
fb_size = fb_var.yres * fb_fix.line_length;
// 0xFFFF 就是白色, RGB-565
picture = (char *)malloc(fb_var.yres * fb_fix.line_length);
if (picture == MS_NULL) {
ms_printf("malloc picture failed!\n");
ms_io_close(screen_fb);
return (-1);
}
memset(picture, 0xFF, fb_var.yres * fb_fix.line_length);
print_screen(picture, fb_var.xres, fb_var.yres);
return 0;
}
int print_screen(char *buf, int width, int height)
{
int bytew;
short *t_data = (short *)buf;
short *t_fb_addr = (short *)fb_addr;
// 像素数乘以2即是字节数,因为颜色深度是2个字节(16bit)
bytew = width << 1;
while (--height >= 0) {
memcpy(t_fb_addr, t_data, bytew);
t_fb_addr += width;
t_data += width;
}
return (0);
}
附录(Appendix)
Reference
FAQ
Q:是否有相关 GUI 应用程序的示例?
A:MS-RTOS 官方推出的开发板 IoT Pi Pro 是带有触摸屏的,该板卡的 BSP 和应用程序示例可以在 GitHub 上找到,网址为:https://github.com/ms-rtos。




陕公网安备61019002002605号